今までにもSFQ回路の高速動作実証はいくつか行われてきた。しかし、対象とする回路は分周回路(T-FF)のようにジョセフソン接合数が10程度の単純な要素回路か、シフトレジスタに代表される繰り返し構造をもつ回路であった。今回、高速動作実証に成功したクロスバースイッチはこれらの回路と異なり、繰り返し構造をもたない回路で、「ランダムロジック《回路と呼ばれる。
繰り返し構造をもつ回路は、その最小単位となる小規模回路を設計すればよいため、マニュアル設計が容易である。しかし、ランダムロジック回路設計は、回路全体に渡って配線やタイミング調整を行う必要があるため、回路規模が大きくなるとマニュアル設計は困難になる。しかも、SFQ回路のタイミング調整は主に配線によって行われるため、配線の困難さが高速動作回路設計のボトルネックになっていた。そこで、NEC基礎研はSFQ回路の自動配線手法を確立し、高速動作可能な回路を実現した。
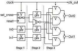
図1はクロスバースイッチの回路図である。この回路は2入力のデータを「クロス《または「バー《の接続状態で交換する。自動配線の結果,論理シミュレーションで30 GHz動作可能な581接合の回路が設計できた(図2)。高速動作を実証するために、この回路にオンチップテスト回路を接続し、35 GHzまで動作していることを確認した。この他に、パケットの制御回路を含む2x2スイッチを自動配線手法により設計し、論理シミュレーションで20 GHz動作可能な回路レイアウトを得ることができた。この回路は4133接合からなる。実験により低速での動作確認に成功した。
自動配線手法を確立し、実際に回路設計と測定を行った亀田義男研究員は「自動配線ツールがなければ大規模回路の配線を行うことすら困難であり、まして、20 GHzで動作するような遅延調整を行うことは上可能である《と述べている。


図2 クロスバースイッチのチップ写真
(輪)